リタイヤした平凡な図面屋です。仕事から解放されて日々のんびり気楽に暮らしてます。そんな奴が好き勝手書いてます!
左図がスラブラインを表現した事例で



| ■サイズ | ■仕様 | |
| W900×D450×H1300~1600 図面参照 | 支柱:φ31.8スチールホワイトブロンズ仕上げ HGパイプ:32×14スチール角パイプホワイトブロンズ仕上げ 木パネル:ブナ合板染色CL仕上げ | |
| ■備考 ★ | ||

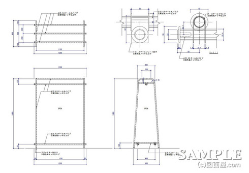
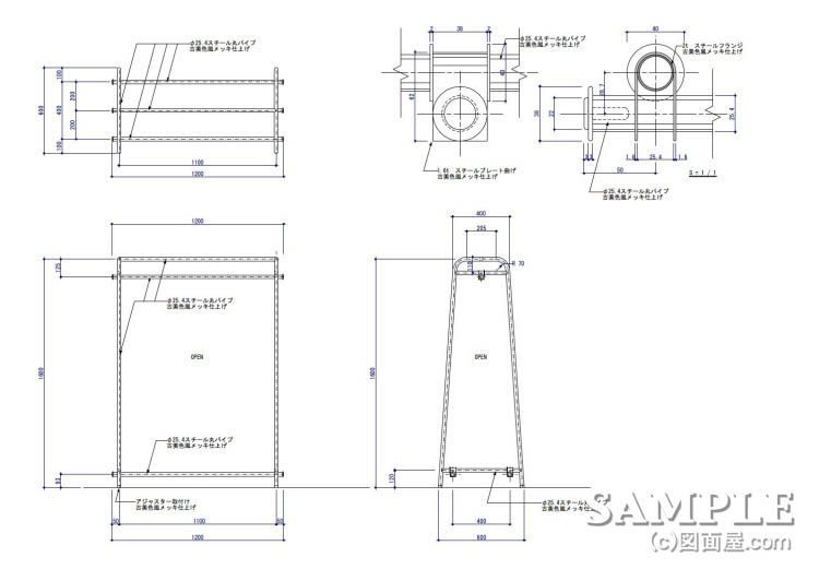
| ■サイズ | ■仕様 | |
| W1200×D600×H1800 図面参照 | 本体:φ25.4スチール丸パイプ古美色風メッキ仕上げ | |
| ■備考 ★ | ||


| ■サイズ | ■仕様 | |
| W750×D750×H1100 図面参照 | 本体:ウォールナット突板染色ウレタン塗装仕上げ ポイント目地:真鍮パッキングエッジ5mm角 | |
| ■備考 ★ | ||