LED照明付き吊り天井の姿図と断面図|図面屋ま〜の "Easy Living" な日々

図面屋ま〜の "Easy Living" な日々

リタイヤした平凡な図面屋です。仕事から解放されて日々のんびり気楽に暮らしてます。そんな奴が好き勝手書いてます!

LED照明付き吊り天井の姿図と断面図

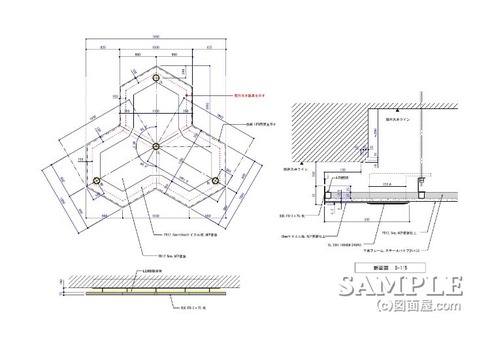
ガールズ演出造作天井

■サイズ
■仕様
W3450×D3450×H75
図面参照 
 本体フレーム:25×25 スチール角パイプ
 見付け:t=3 SUS FB
 底面:PB(1部ケイカル板)下地AEP塗装
■備考


この作図事例は天井高さが高い売り場で天井面にアクセントとして設けるLED照明付き吊り天井の姿図と断面図です。

大型ショップや百貨店のパブリックの天井にシンボリックな吊り天井としても良く見かけます。

注意点としては大きな板状の仮天井を吊るので吊りボルトの数と位置が適切でなくてはならない事です。
又、天井設備や防災設備等の位置関係の調整も必要となります。

人気ブログランキングに参加していますので、
応援、宜しくお願い致します。
       
   
2013/07/20| コメント:0トラックバック:0Edit

コメントする

名前
 
  絵文字
 
 
Copyright © 図面屋ま〜の "Easy Living" な日々 All Rights Reserved.
当サイトのテキストや画像等すべての転載転用・商用販売を固く禁じます