リタイヤした平凡な図面屋です。仕事から解放されて日々のんびり気楽に暮らしてます。そんな奴が好き勝手書いてます!

| ■サイズ | ■仕様 | |
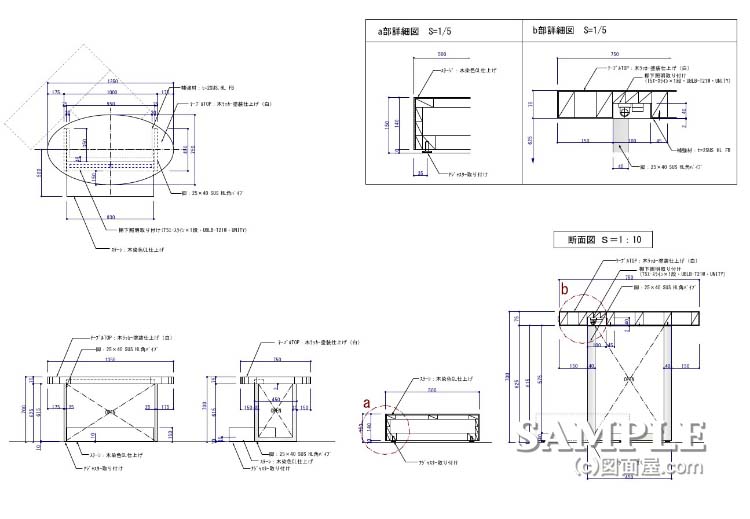
| W1350×D750×H700 W930×D500×H150 図面参照 | テーブルTOP:木工ラッカー塗装仕上げ 脚:25×40 SUS HL角パイプ組み ステージ:木染色CL仕上げ | |
| ■備考 | ||
ま〜
図面屋ま〜では、若き同業者の方々のお役に立てるよう、今まで描き続けてきた図面資料やデザイン資料などをお伝えしております。 ただ、掲載している作図資料はあくまで資料であり、全ての店舗や施工に当てはまるものではありません。ですから、参考程度の資料とお考えください。
Powered by ライブドアブログ