
| ■サイズ | ■仕様 |
W1200×D1200×H300 | 天板:木工化粧板仕上げ 脚:21×21スチール角パイプ焼き付け仕上げ |
■備考
|
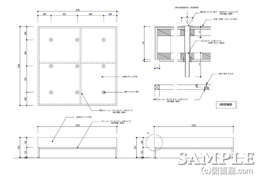
この作図事例はディスプレーステージの姿図と断面図です。
天板に穴が開いています。実はここのあるものを立てることにより、素晴らしいVPポイントとなります。
いろいろ組み合わせるとバリエーション豊富なディスプレーが可能となるのです。
このステージは脚の角パイプフレームと天板の2パーツで構成されています。
それぞれをジョイントする為に補強パイプを溶接しておき、このパイプ裏からビス固定します。(詳細図を参照下さい)
ただフレーム脚がディスレプレーパーツも含めた天板の重量に耐えられるかが心配になります。
その為改良点として、各脚を繋げて補強するパイプを溶接しておく方が良いでしょう。
他にも補強の仕方はありますのでいろいろ製作会社さんと協議してみて下さい。
続きを読むからこのステージの最大の特徴でもあるディスレプレーパーツをご紹介しています。
人気ブログランキングに参加しています。応援、宜しくお願い致します。
↓ ↓ ↓

天板に開けた穴に上記のようなテーブルや、ボディ等を差し込んでディスプレーをします。
9つ空いた穴にはさまざまなパーツを差し込む事ができるので、多種多様な演出が可能となります。
ここに描かれている以外に斜めハンガーなども設置できます。