
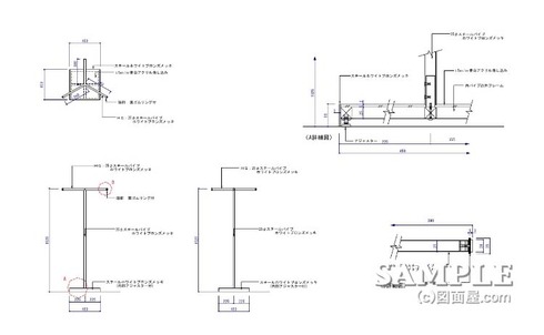
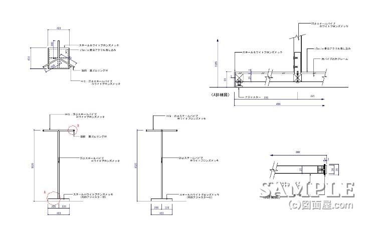
■サイズ
| ■仕様 |
W450×D450×H1525 図面参照 | ハンガー・支柱:φ25スチール丸パイプホワイトブロンズ仕上げ ステージ:スチール曲げ加工の上ホワイトブロンズ仕上げ |
■備考
|
この作図事例はT字ハンガーラックにもう一本ハンガーパイプを追加している3WAYハンガーラックの姿図と断面図です。
3WAYハンガーラックという呼称が無いかもしれません。
ですが、他に妥当な名前が見あたらないので3WAYハンガーラックという名称にしました。
T字ハンガーラックに比べてハンガーパイプが1本多いだけですが、多方向へのディスプレー面を見せる事が出来る利点があります。
設置場所としてはファサードのコーナースペースが一番効果的ですね。
ただディスプレー面が増える反面、各面の商品同士が当たってしまう恐れがあります。その為T字ハンガーラックよりも陳列する商品量を少なくする必要があるかもしれません。
次に、この3WAYハンガーラックの収めについて、断面図に注目してください。
ベースからインローパイプで支柱を固定している方法は問題ありません。
問題はインローパイプの長さです。
1500mm近い支柱をこの長さのインローパイプで支えるのは短すぎます。
少なくとも支柱の
半分ぐらいまでインローパイプを伸ばしておかないと、支柱がぐらついて安定しません。
このインローパイプと支柱の関係は他のハンガーラックにも共通していえる事なので是非覚えておいてください。
人気ブログランキングに参加していますので、応援、宜しくお願い致します。