
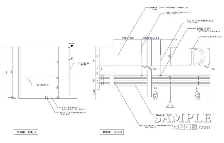
■サイズ
| ■仕様 |
W**×D900×H700 図面参照 | フレーム:40×16mmスチール角パイプ焼き付け仕上げ(シルバー) 吊りパイプ:15×15mmスチール角パイプ焼き付け仕上げ(シルバー)
|
■備考 このボーダーに使用している鋼材は下記を参照下さい。 ⇒ 鋼材表【スチール角パイプ】
|
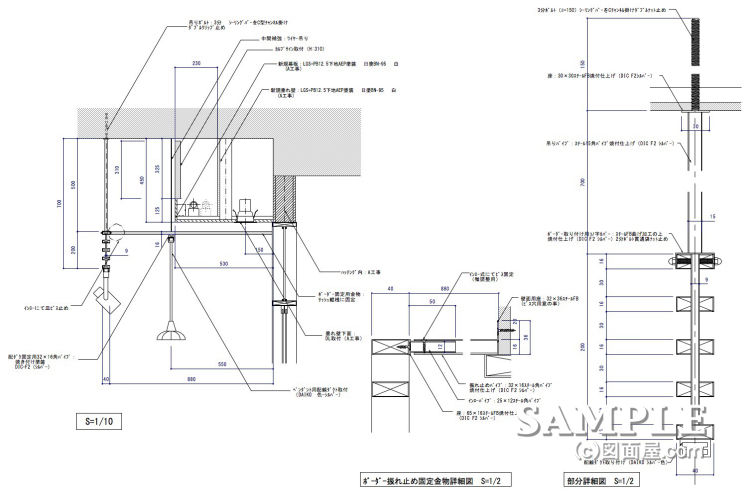
この作図事例は食品売場の吊りボーダーの姿図と断面図です。
パイプボーダーは食品売場に限らず、様々なところで使われているボーダーです。
基本的な構造は似ているので、後は取り付ける環境との取り合いで補強パイプなどを追加してけば問題ないですね。
この事例ではボーダーは壁面と近いところに吊っているので、平面図でも確認できますがコの字型になっています。
食品の対面販売のコーナーでもあるので、照明器具がスポットライトとペンダントライトの2種類を前後2本の配線ダクトに取り付けています。
この吊りボーダーの断面図と詳細図は続きを読むに詳しく掲載していますので是非ご覧ください。
人気ブログランキングに参加していますので、応援、宜しくお願い致します。

向かって左側の断面図で良く見て頂くと、ペンダントライト用の配線ダクト上部に天井からワイヤーで吊っているのが分かりますね。
店舗によってはワイヤー吊りは強度的に弱いので認められない事もありますが、ペンダントライトを取り付ける分、ボーダーがたわんでしまわないようにワイヤー吊りで補強しています。
図面中央の部分詳細図では、ボーダーと壁面から伸びている補強パイプとのジョイント部を描いています。
ジョイント方法はインローパイプ式で、現場施工時に調整が効くようにビス止めにしています。
最後に右側のボーダー断面図ですが、吊りパイプとパイプボーダーの2つのパーツで組み合わさっています。
吊りパイプに溶接されたコの字のチャンネルをパイプボーダーにかぶせて、ボルトと袋ナットで固定する方法です。