
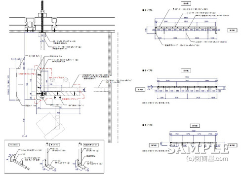
今回ご紹介する図面は壁面ボーダーの詳細図です。
従来のボーダー図とは少し異なった描き方をしていますが、主に断面図を見て頂きたいです。
このボーダーを作図した当時の注意点としては、各パーツ(スケッチを参照下さい)とL型の木工パネルをどう取り付けていくかでした。
一般的な考え方としては、吊りパイプを吊り込んだ後に木パネルといった手順で施工しますよね。
しかしこの図面ではほぼ同時進行で取り付けるようになっています。
天井から吊っているパイプの底面にボルトを溶接しておいて、底板となる木パネルも一緒に固定しています。
しかしボルトだけでは不安定なので、壁面からのブレ止めステーにもビスで固定します。
この後正面の木パネルを取り付けて、SUSカバーをボンデ貼り付ける収めになっています。
何とも現場で手間の掛かる収めになってしまった事を少し後悔してます。
補足ですが、このブレ止めステーも強度を考えると壁面下地から補強しで安定させた方がベストなんですが、工期の問題でインロー式にせざるをえませんでした。
尚、続きを読むに吊りパイプと振れ止めのピッチについて書いていますのでご参照下さい。
応援、宜しくお願い致します。
↓ ↓ ↓
にほんブログ村
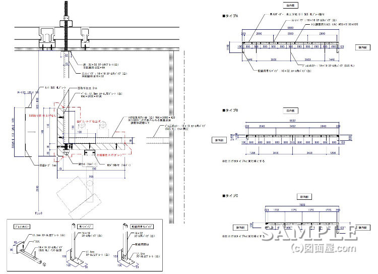
図面の右側に奥行きとワイドが異なる3タイプの平面図を描いています。
どれも同じ売場なのですが、ボーダー下の什器と関連しているのでそれぞれ寸法を変えています。
その為場所によってそれぞれのパーツ数は変わるのですが、注意点は取付ピッチにあります。
出来るだけ存在感をなくす為に吊りパイプは天井と同色の色に仕上げるのですが、パイプのサイズによってはどうしても目立ってしますことがあります。
照明や壁面の仕上げ材の色とかで返って浮き出てしまうんです。
このような場合に、個々の長さに対してピッチを決めてしまうと、統一感がなくバラバラなショップ環境に見えます。
その為、3つのタイプ全てに共通してバランスの取れるピッチ設定する事を忘れないで下さい。
特に吊りパイプは振れ止めよりも見える範囲が多きので注意して下さいね。
応援、宜しくお願い致します。
↓ ↓ ↓
にほんブログ村 