
■サイズ
| ■仕様 |
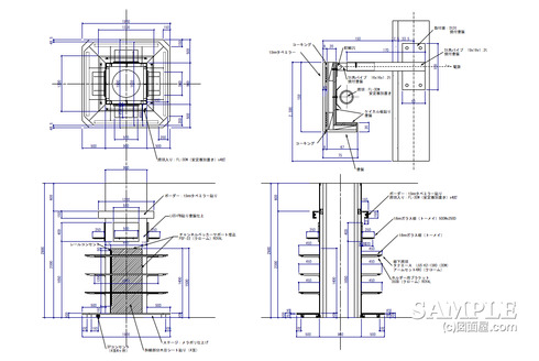
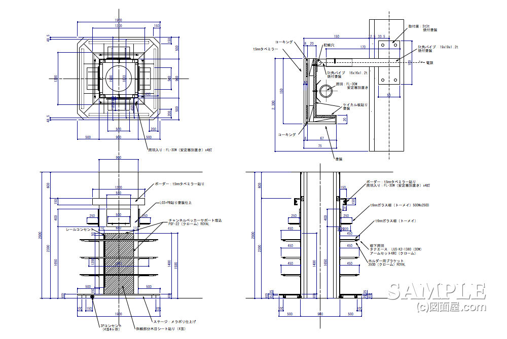
W1900×D1900×H2900 図面参照 | 柱:PB下地塗装仕上げ 1部木目シート貼り(4面) ボーダー:木工下地t=5mmタペミラー貼り 持ち出しパイプ:19×19mmスチール角パイプ焼き付け仕上げ ステージ:木工化粧板仕上げ |
■備考 CADデータはDL-MARKETでお求めになれます。 ⇒ 柱巻き造作とミラー貼りボーダーの詳細図 |
これだけボリュームある柱巻きは今ではきっと敬遠され、あまりお目にかかる事はありません。
ただ、一部のスーパーの量販店やそれに類する売場(ボリューム店)では、まだまだこのような形状の柱があります。
特に食器売場や生活雑貨等の棚置き陳列が主軸となる売場が多いですね。
商品量がどうしてもかさんでしまうのでしようが無いといえばそうなのですが、間違っても量販店のようにボリュームだけを追求した陳列にはしては良くないです。
今回は、こんな柱巻き図面事例もあるんだ程度で今後の肥やしにしてください。
●スポンサードリンク
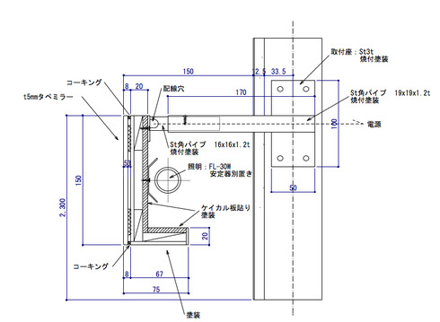
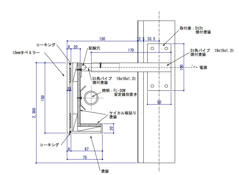
そこで、この柱巻き造作図での注意すべき点を伝えておきます。それは上部のボーダーの固定方法です。
以下は、そのボーダーの拡大図ですので、よくご覧になってください。

持ち出しパイプと壁面との固定方法は特に問題ありませんが、インローパイプの長さにもう少し注意が必要です。
また、ここではインローパイプの長さは記されていませんが、ボーダーからでているインローパイプを
約80mm程度として持ち出しパイプとのかかりしろは、
60mmにすれば納めとして良いと思います。
このままでも取り付け自体は可能ですが強度が弱いと思われるのなら、インローパイプの奥行きをもう
50mm長くして持ち出しパイプとのかかりしろを大きく取れば完璧です。
少々の衝撃でも抜ける事はないでしょう。長くなったのでビスをもう1箇所止める事ができます。
次に、ボーダーのタペミラー貼りについてお伝えします。
木工下地のL型パネルの前面にフレームもないまま取り付けています。(失敗です)
この状態では下から見上げるとコーキングのラインが丸見えで、見た目に良くありません。しかも、コーナー部分に見切り材もないのでタペミラーのどちらかの小口も見えてしまいます。
やはりミラーなどをボーダーに使用する場合は、
フラットバーやLアングル等の見切り材を取り付けた方が見た目にも良いのでは無いでしょうか。
いつも、竣工後に図面を見直すことをする人、しない人っていますが、出来ればというか必ずチェックすることをお薦めします。
というのも、しない人は必ずとは言いませんが、きっと同じ間違いをするからです。そうならないためにもあなたは、必ず竣工後の図面チェックはするようにしてください。
尚、今回の事例のCADデータはDL-MARKETでお求めになれます。
⇒
柱巻き造作とミラー貼りボーダーの詳細図応援、宜しくお願い致します。 ↓ ↓ ↓
にほんブログ村 
人気ブログランキング