
■サイズ
| ■仕様 |
W900×D400×H1810 図面参照 | 本体:木工化粧板仕上げ ショーケース扉:t=3クリアガラス 扉見付け:鉄板黒皮仕上げ |
■備考 *2002.03作成 【GS_000】は、ガラス・ショーケースの略語(glass-showcase) 業態:ファッション雑貨 |
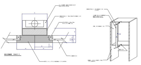
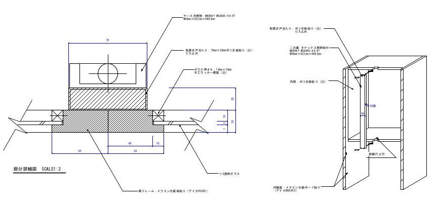
【作図解説】
今回のショーケースは、柱に直接固定する前提で計画されており、腰部のみオープン構造として設計したものです。
本来は持ち込み什器が収まる予定でしたが、最終的にオーナー判断で取り付け無しとなったため、図面では空間として残す形になっています。
ケース上部には、スチール枠とクリアガラスを組み合わせ、そして内部の棚受けや扉回りの構造も含めて全体が比較的軽い印象になるようにまとめています。
照明器具は扉側の戸当たりに組み込む仕様で、ケース内の商品をまっすぐ照らす設計になっています。
それでは続きをどうぞ!
応援、宜しくお願いします! ↓ ↓ ↓
デザインランキング
●スポンサードリンク【作図ポイント】
腰部がオープンになることで、ケース全体の剛性が上部構造と柱固定に依存する点が注意すべきポイントになります。
設置状況によってはストックや背板を設けて安定させた方が安全性が高まります。また、照明器具を戸当たり側に組み込んでいるため、商品入れ替え時の作業性を考慮し、脱着式の戸当たりとしました。
詳細図では照明端部の処理やビス固定位置、ガラス厚みとの関係が分かるよう寸法を整理しています。
以下、詳細図、並びにスケッチ参照してください。

【私感として】
腰オープンのままでも成立はするものの、やはり実務上はストック棚を設けた方が安定感が出るな!という印象です。
上部ショーケースは、どうしても照明の納まりや扉の使い勝手に左右されるため、今回のように戸当たりを脱着仕様にしておくと現場での扱いもスムーズになります。
ただ、この脱着式は実際は、照明器具のメンテナンスのためだけで、ガラスFIXした両開きの扉の框で、この照明ベースは隠れるので、それほど不細工では無いと感じました。
ですから、全体として見た目の軽さと施工性のバランスをとった、扱いやすいショーケースになっていると思います。
【まとめ】
腰部の使い方が途中で変わったことで、設計時と最終仕様に少し差が出たショーケースですが、柱固定を前提にした構造なので大きな問題はありません。
ただ、やはり実際の運用を考えると腰部に収納がある方が全体の安定感も増して扱いやすい印象です。
照明まわりは、戸当たりに仕込んで作業性を確保しているので、日々の商品入れ替えにも対応しやすい構成です。
結果として、見せ方と実務性のどちらも損なわずにまとめられた、扱いやすい一台になっています。
応援、宜しくお願いします! ↓ ↓ ↓
デザインランキング