
■サイズ
| ■仕様 |
W1333.4×D1326.7×H2900 図面参照 | 柱:PB12.5+ラワンベニヤ下地タイル貼り ポイント:t=6カラーガラス貼り 見切り:10×10SUS HL角パイプ 底目地:メタカラー貼り |
■備考
|
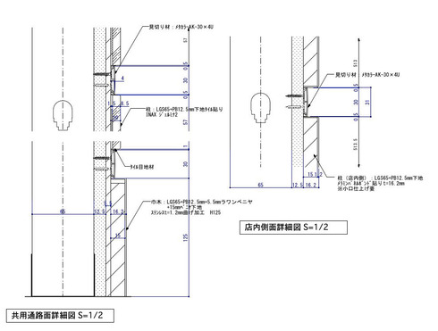
やけに細かい図面を見て頂いてますが、この作図事例はタイル貼り造作柱の図面なのです。
タイルや石貼りが仕上げとなった柱や壁がある場合、割付け図を作図する必要があるんですが、これが邪魔臭さくて厄介な代物です。
だから誰もしたくは無いのですが、我慢強くやるしかないのです。
もちろん造作柱で必要な納めは描いていますが、タイルの割り付け図を兼ねているので、やや見にくくはなってます。
注意点としては、タイルの追出しの基準位置が大切です。
天井からとるか、床からとるかですね。
基本的に天井から取る事が多いので、今回も高い天井面を基準として追い出していますが........................。
それでは、
続きを見てください!頑張ってます!↓ ↓ ↓
デザインランキング
にほんブログ村
●スポンサードリンク
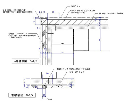
天井には、段差があり、タイルの目地ラインを合わせる為に低い天井面にはスチールの見切り材を取り付けています。
図面では25mmとなっています。
様々な建築図との絡みでタイル追出し何処ではありません。だから嫌がるのです。
これだって、時間はかなりかかってます。

実際に現場で施工する時は、図面上の目地寸法では合わないケースが多いので、タイルの割付け基準だけを指示する作図方法もあります。
この柱図も細かく寸法表記していますが、実際の現場では大きな割付け寸法を守って目地幅を調整して頂きました。
なので、割付け図といっても、あまり細かすぎる寸法記入は返って、施工時に混乱する事もあります。
出来れば、タイル職人さんにその基準を指示しておけば、大概が、納まりますので寸法調整できるカ所を設けるておいた方が喜ばれます。(本音の話)
後、注意が必要な作図として以下の詳細図が欠かせません。

上の図は柱のコーナ材の納め指示ですが、この程度の図面は入れてやって下さい。
現場の監督が喜びます。
次の図面は、以下です。

もうお分かりでしょう!縦断面の詳細図です。
これについても良く描けた図面と感じますので、こういった辺りはしっかり真似ること!
メモ帳にでも書いておけばいつでも役立つ強い味方となります。
それでは、今回は以上です。
皆さん頑張って素晴らしい図面屋さんになって下さい!
頑張ってます!↓ ↓ ↓
デザインランキング
にほんブログ村