
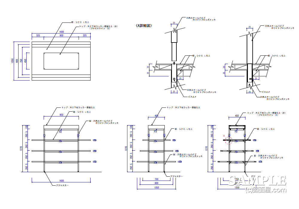
■サイズ
| ■仕様 |
W1600×D1050×H1270 図面参照 | 支柱:25×25スチール角パイプホワイトブロンズメッキ仕上げ 天板:木ラッカー塗装仕上げ 棚:シナ合板CL仕上げ |
■備考
|
シンプルなオープンタイプの棚什器です。
使う安くシンプルなフォルムは、確かに人気があります。永遠に使える什器でもあります。
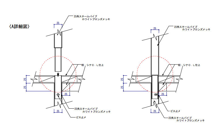
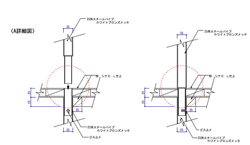
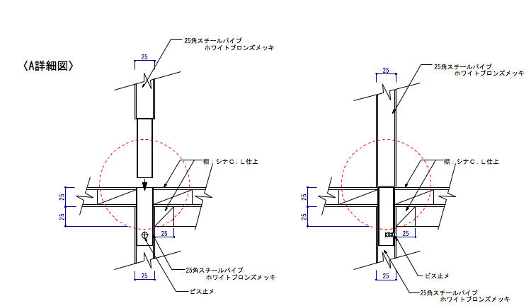
このタイプ什器は、支柱となる角パイプ(25mm角パイプ)とそれぞれの棚を角パイプを
インロー式固定して積み重ねて組み立てます。
ですから、従来の固定式フレームタイプでは実現できなかったラウンドタイプのオープン棚を可能にしています。
組み立て方法はシンプルです。
前述した支柱パイプの底面に事前に用意した
インローパイプに差し込んで、ビス止めしていくだけです。
ただ、注意点もありますので、
続きをご覧ください。頑張ってます!↓ ↓ ↓
デザインランキング
にほんブログ村