■サイズ
| ■仕様 |
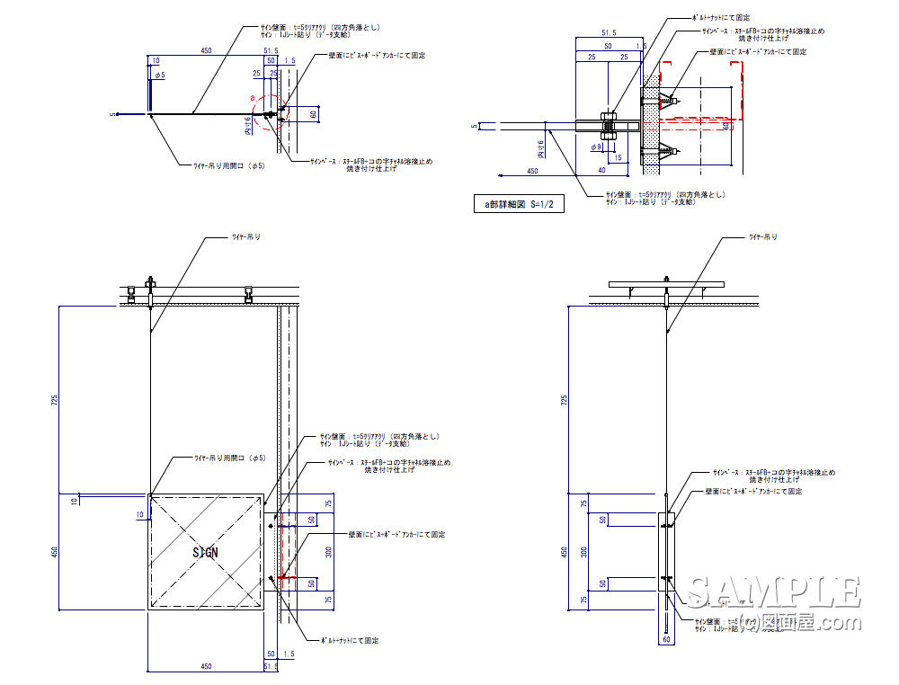
W60×D450×H450 図面参照 | サイン盤面:t=5クリアアクリ(四方角落とし) サインベース:スチールFB+コの字チャネル溶接止め
焼き付け仕上げ |
■備考
|
上記の作図は、店頭での環境共通サインを示したものですが、ごく一般的なフォルムとなっています。
内装管理室からの指示でこれにはデザインを追加することは出来ません
ですから、テナントそしては店舗名を内管(内装管理室)に指示するだけです。
納めとしては、壁面からサインベースを出し、その金物へ
インロー式にてアクリルサインを取り付ける段取りになっているようです。
振れ止めにサイン前にワイヤー吊りしていますが、これは格好が悪いと感じますね!
それでは、もっと詳しくいきます。
頑張ってます!↓ ↓ ↓
デザインランキング
にほんブログ村
●スポンサードリンク
平面詳細図をご覧頂いていますが、先ほど話したインロー式のことですが、この場合はサイン板(アクリル板)の差し込み程度なので正式にインロー式とはいえないかもしれません。
しかし、
一般に「差し込み+止め」という収めを業界では、インロー式と呼んでいるようです・・・・。
ここでちょっとした注意点が在ります。それはサインベースにありますが、お分かりですか?
実は、私だったらこのベースを隠します。
要はPBボードの下地である
LGSにベースの座を溶接か、ボルト締めで固定します。

施工は上記の方が圧倒的に簡単ではありますが、あまり美しい見え方感はありません。
ちょっとした工夫をすれば、よりよい雰囲気が感じられます。
共通サインは、ほとんど建築工事だと解釈していますが、ビル側によっても様々ですので、設計者は早めに確認を取ることが肝心です。
頑張ってます!↓ ↓ ↓
デザインランキング
にほんブログ村