
■サイズ
| ■仕様 |
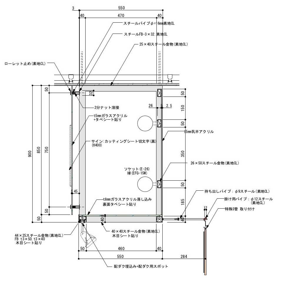
W4335×D550×H900 図面参照 | 本体:40×40スチール角パイプ+木目シート貼り 盤面:t=5mmガラスアクリ+タペシート貼り サイン:C/S切り文字貼り |
■備考
|
久しぶりの投稿ですが、舞にに暑いですね。
さて、今回は食品売り場で見られる「デリカテッセン」(通称デリカ)に設置した対面ボーダーの詳細図です。
当時は、クライアントもお金があったのでしょう、このサインの仕様を見ているとかなりその懲りようが見えてきます。
実物件は覚えていませんが、たぶんデパ地下にあるデリカコーナーでしょう。
納め方としては、通常天井からパイプを降ろして吊るのが主流ですが、この図面のように天井高が低い場合は直接天井面に取りつけることもあります。どちらの納めにしても、天井裏から吊る事には変わりはありません。なので、ボーダーを設計する際には参考になると考えます。
注意点としては、このボーダーと下部に設置された対面ケースの位置関係、そしてお客様に圧迫感を与えないような高さ設定をすることが肝心です。
私の経験上での寸法は、床からボーダーの底面までが、
2100mm〜2300mmの間で設定するのが妥当だと考えます。
それでは、肝心のボーダーサインの詳細図をお見せします。
続きをご覧ください。
頑張ってます!↓ ↓ ↓
デザインランキング
にほんブログ村
●スポンサードリンク

サインの断面図となりますが、左が店側になります。
フロント面には、デリカのサイン、後ろにぶら下がっているサインは、きっと各食材を書いたパネルとなるはずです。
この事例のようなボーダサインの造りは、基本的にスチール角パイプ組をベースにして、サイン自体を取り付けるパターンが多いと感じます。ここでも注意点があります。
それは、その長さにあります.短ければそれなりに描けますが、長いものになるとジョイントが発生します.私の場合は、先輩に聞いて納めを進めます。
後の処理は、難しくはありません。
光源の取り付けと、この場合のように配線ダクトを付けることです。
この図面は、うちのボスが描いたので、しっかり描かれてると感じますので、是非真似って描いてみてください。
尚、よく言われることは、店上面はラインのみで良いと!
天井の裏面を描いても見栄えはするモノの何の効果も無いと!
これ描くんだったら、もっとサインをしっかり描くように言われます。よろしくお願いします
しかし、当たった答えだと感じます。
以上ですが、上の断面図はしっかり理解してください。そして、真似って見てください!!
頑張ってます!↓ ↓ ↓
デザインランキング
にほんブログ村