
おはようござます。ま〜です。今回は食品売場についての作図事例をお伝えしたいと思います。
みなさんも、食品スーパーなどに行かれたことがあると思いますが、そこでよく見かけるボーダーの作図についてのお話しします。
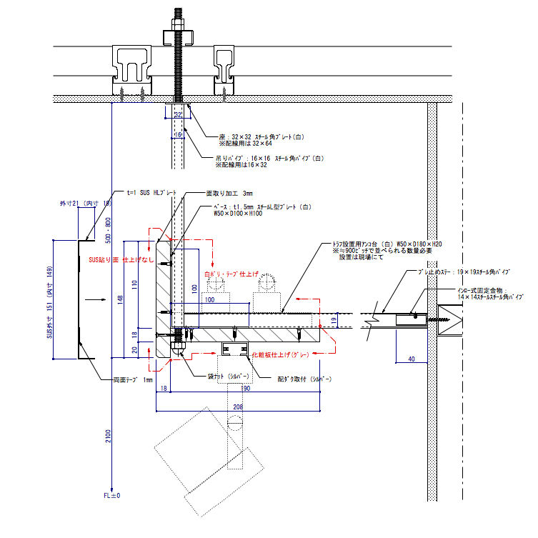
上記、図面事例は、食品スーパーの売場でよく目にする壁面ボーダーモ断面図です。このボーダーには、各食材の売場名が表記されています。精肉、鮮魚、デリ(デリカテッセン)などなどです。
そして、その固定方法はというと、大概が天井と壁面との固定が主な、納め方になっています。
そこには商品を照らすスポットも取り付けられています。
ことからかなりの重量が考えられますので、吊り式のボーダーとはいえ、壁面からも
ある程度の補強が必要です。
ボーダーとしての仕様は、どちらの店舗もほぼ同じよな詳細であって、たまにボーダーを角パイプ組で表現している店舗もありますが、大まかにはこの事例に沿ったものと考えられます。
特に変化を付けることもないし、これに変わるものも無いと言うことです。
それでは、
ボーダーの詳細と補強についてもっと詳しくお見せしましょう。
頑張ってます!↓ ↓ ↓
デザインランキング
にほんブログ村
●スポンサードリンク
詳しく説明する前に、この図面の前段階の断面図をごらん頂きます。。

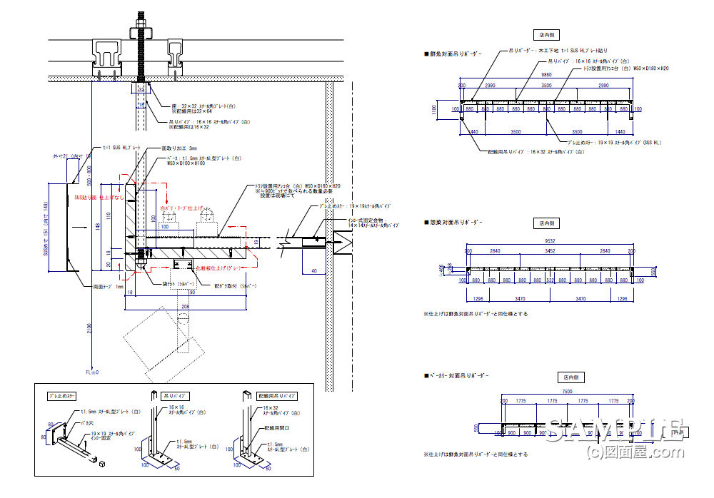
上記は食品売場での断面図ですが、売場によってそれぞれの断面図が変わります。この場合は総菜売場ですが、その他、生鮮、精肉、ベーカリー等々とあります。
理解するにはかなりの時間はかかりますし、経験値も無ければおいそれとは描くことはできません。
それでは、詳細図を!
以下の図面は、前述に説明した拡大図ですがここまで大きいと理解は早いと感じます。

吊り物は、天井を貫通してチャンネルにナット締めとなります。そして壁面での振れ止め補強として、私がよく使う手は、
インロー式での固定方法です。
壁面には、事前に裏ネタを仕込んでおきます。そこに下地となる角パイプをビス止めします。そして
固定したいパイプを押し込んで、これもビス止めとします。
この
インロー式での収め方は、一般的となっていて、設計者なら誰でもが理解していると思います。
最後に、一枚目の図面の右に描かれている作図は、各売り場のボーダーの長さを示した作図ですが、
本題とはあまり関係が無いので無視しておいてください。
頑張ってます!↓ ↓ ↓
デザインランキング
にほんブログ村