
■サイズ
| ■仕様 |
書架W4650×D400×H3000 ラダーW540×D551×H3000 図面参照 | 書架:木工化粧板仕上げ ラダー(梯子):スチール角パイプ焼き付け仕上げ |
■備考 作図日:2010.02 業態:インテリアショップ |
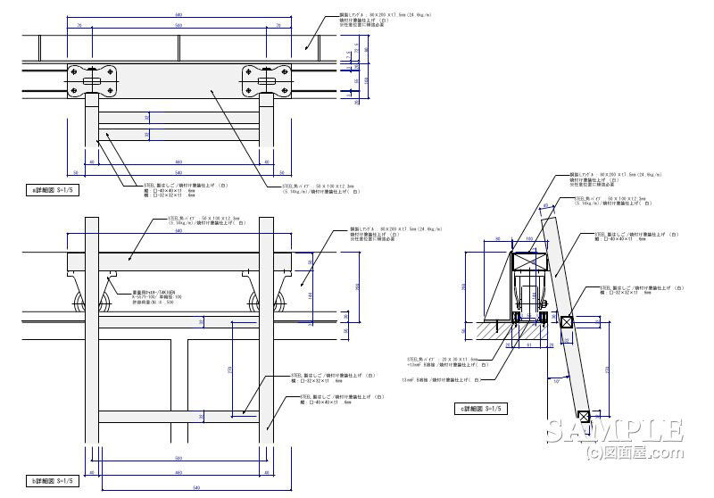
【作図解説】この作図事例は書架+ラダー(梯子)の姿図と部分詳細図です。
図書館や大型家具ショップ等ではおなじみとなっているラダー(梯子)ですね。
図書館では本来の梯子としての機能を担う為に設置されていますが、物販店でも意匠としてダミー梯子を設置し演出するケースもあります。
しかし、部分詳細図までを描いた図面はあまりないので、梯子のピッチや取り付け方を是非参考にして下さい。
それでは、続きを!応援よろしくお願いします ↓ ↓ ↓
デザインランキング
●スポンサードリンク
【作図ポイント】この梯子も既製品で見受けられますが、コスト的にも別注製作より安価にする事もできます。
ただ、店舗環境とマッチするようなラダーかは、何とも言えませんね。
逆に、壁面什器の方は棚間の高さだけを注意しておけば、既製品でも製作什器でも特に問題はありませんね。
※梯子の足下の納め方も描いている詳細図が下記にありますので合わせて参考にして下さい。
⇒
ラダー(梯子)の姿図と詳細図

上の図は、梯子の車軸を取り付ける部分の詳細図です。
取り付け方法はこの事例の他に、持ち出しパイプに引っ掛けるタイプもあります。
しかし、耐荷重に対する強度を考えると、キャスター式の方が望ましいですね。
構造としてはさほど難しくありませんが、断面図で表現しているように、書架トップにガイドレールとして2本の角パイプを固定します。
このガイドレール用パイプの間を重量キャスターを取り付けた梯子がスライドしていく構造なんです。
ここでの注意点は、振れ止め用にLアングルの固定方法と梯子のズレ止め対策です。
図面上ではビスで固定していますが、人が昇った時にはかなりの荷重がラダー(梯子)に掛かります。
その為、振れ止めはより頑丈に固定しておく必要があるので、ボルトとナットで固定する方が良いでしょう。
そして、梯子が勝手に横ズレしないようにゴムクッションを梯子側に取り付けおく事も重要です。
図面上に描いてはいませんが、梯子の足下にもキャスターとアジャスターが必要なので注意して下さい。
応援よろしくお願いします ↓ ↓ ↓
デザインランキング