
■サイズ
| ■仕様 |
W800×D185×H2160 図面参照 | 枠:木工ラッカー塗装仕上げ 建具:木工ラッカー塗装仕上げ ※ドアチェック取付け ※ヒンジ取付け |
■備考
|
この事例は、かつて結婚式場を手掛けたときに描いた実施図面で、かなりややこしい箇所だったのでよく覚えています。
石貼り壁面とミラー建具、そして建具枠の納めが大変でした。
何が大変だったというと、壁面意匠として提案されていた箇所に、建具が必要だったのです。
その建具も含めたカタチでの意匠が変更されたことでした。
要は見え方感です。
結果、上記の図面となりましたが、見てくれはそこそこ良いのでは!ってなんて感じています
如何なものでしょうか?
●スポンサードリンク
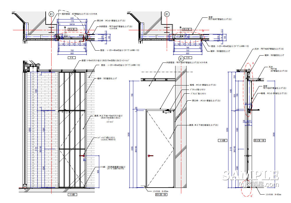
納めを説明しましょう。
まず平面詳細図を理解して頂きたく思います。赤でマーキングした箇所が、この壁面の意匠となっています。
上が建具枠です。下は建具上部の壁面を表しています。

縦格子の下部に建具がありますが、建具の存在感がどうも気に入らなかったようです。(クライアント)
そこで考えたのが、壁面の縦格子の中に建具を含むことにしました。
要は建具と壁面を同化させるんです。
遠くから見ればその存在は確実に消えているでしょう!
再度、上の平面詳細図を見てください!
意匠である縦格子の見付と建具枠の見付を同サイズにしてこの扉を壁面と同化させるんです。
つまり、
建具枠の存在を消すということです。そして、
建具上部の垂壁と建具を一つの意匠として見せることです。(ポイント)
大変とはいえ、こういった納めはよく目にしますがね。

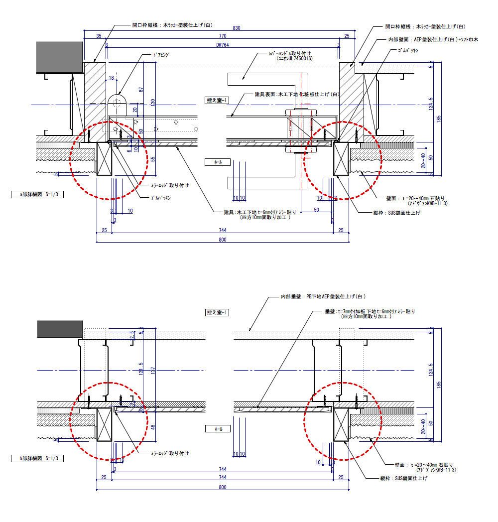
上の作図は、建具の断面詳細図です。
平面詳細図と併せて見ていただくと理解しやすいでしょう。
グレーに着色したのが、壁面意匠の縦格子です。
理解して頂けますか?
時間がかかってもよいのでしっかり読み取ってください。
頑張ってます! ↓ ↓ ↓
デザインランキング
にほんブログ村